¿BUSCAS ALGO CONCRETO?

Llámanos al teléfono:  +34.675.475.376

O por email ó formulario, aquí


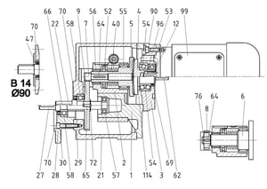
PLANOS DE DESPIECE DE VARIADORES STROTER

Descarga
Despiece variador Stroter
DespieceVarSTROTER_web.pdf
Documento Adobe Acrobat 102.1 KB